
產品型號: φ45橡膠福來輪 W-45RS系列
產品名稱:φ45橡膠福來輪 W-45RS合成橡膠流利條
>>說明
1.合成橡膠流利條的滾輪使用合成橡膠為材料。
2.滾輪直徑:φ30、φ38、φ40、φ45
3.可以根據客戶要求定做
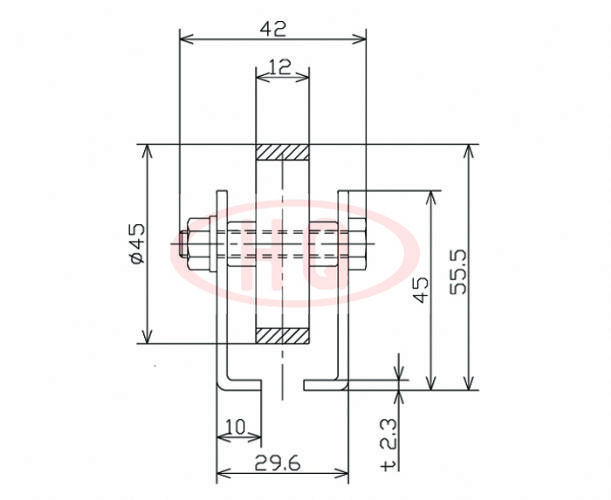
>>示意圖

>>仕様表
(単位 mm)
型 號 | 福來輪尺寸 | 使用軸 |
W-45RS | 45×12×6.4×25 | M6×38L |
框架尺寸 | 機高 | 全 長 | 福來輪中心距 | 彎道半徑 | 單只福來輪承載(kg) | 參考 |
45×29.6×10×42×2.3 | 55.5 | 1,800?2,400 | 50?75 | 1,000 | 10 | 滾輪為沖壓式福來輪 |