產品型號: R-6038
產品名稱:?60鋼制滾筒自由輸送機
>>說明
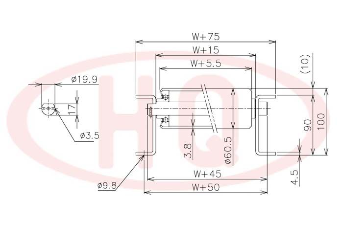
1.滾筒直徑:?60mm(壁厚3.8mm)
2.支架: 90mm槽鋼
3.幅寬: 100mm~1000mm
4.承重量: max約570kg
>>仕樣表
(單位 mm)
| 滾 筒 幅 寬 W (mm) | 100 | 200 | 300 | 400 | 500 | 600 | 700 | 800 | 900 | 1,000 | ||
| 輸送機幅寬 W+75 (mm) | 175 | 275 | 375 | 475 | 575 | 675 | 775 | 875 | 975 | 1,075 | ||
| 滾筒承重強度 (kg) | 570 | 538 | 505 | 475 | 475 | 475 | 450 | 420 | 400 | 380 | ||
| 輸送機重量安 3,000L (kg) | 75P | 64.6 | 94.6 | 124.6 | 154.6 | 184.6 | 214.6 | 244.6 | 274.6 | 304.6 | 334.6 | |
| 100P | 56.1 | 78.7 | 101.3 | 123.9 | 146.5 | 169.1 | 191.7 | 214.3 | 236.9 | 259.5 | ||
| 滾筒(含軸)重量 (kg) | 0.9 | 1.6 | 2.3 | 3.1 | 3.8 | 4.6 | 5.3 | 6.0 | 6.8 | 7.5 | ||
>>示意圖




