
產品型號: R-4214P
產品名稱:?42鋼制滾筒自由輸送機
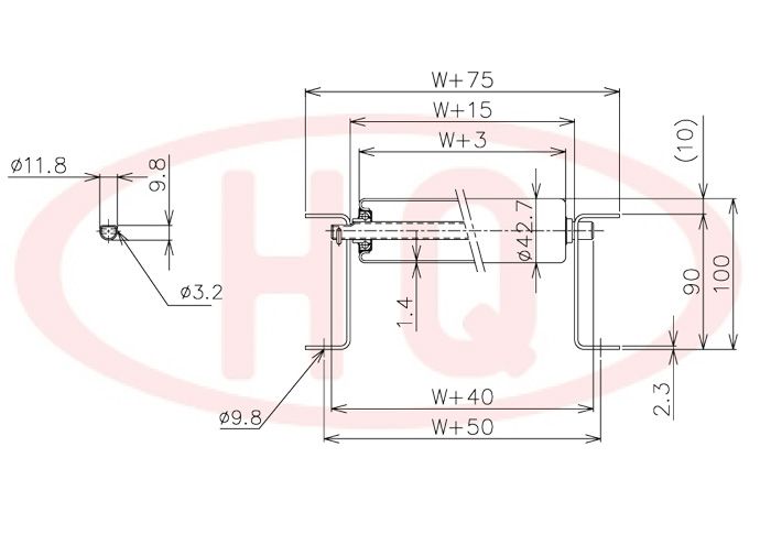
>>說明:
1、滾筒直徑:Φ42mm;
2、支架:90mm槽鋼;
3、幅寬:100mm-1000mm;
4、承重量:max約170kg。
>>仕樣表:
| 滾筒幅寬W(mm) | 100 | 200 | 300 | 400 | 500 | 600 | 700 | 800 | 900 | 1,000 | ||
| 輸送機幅寬W+75(mm) | 175 | 275 | 375 | 475 | 575 | 675 | 775 | 875 | 975 | 1,075 | ||
| 滾筒承重強度(kg) | 170 | 162 | 105 | 90 | 76 | 59 | 54 | 45 | 41 | 36 | ||
| 輸送機重量 3,000L (kg) | 50P | 27.8 | 38.0 | 48.2 | 58.4 | 68.7 | 78.2 | 88.4 | 98.6 | 108.8 | 119.0 | |
| 75P | 22.8 | 29.7 | 36.7 | 43.6 | 50.6 | 56.9 | 63.8 | 70.7 | 77.6 | 84.6 | ||
| 滾筒(含軸)重量(g) | 253 | 416 | 579 | 742 | 905 | 1,068 | 1,231 | 1,394 | 1,557 | 1,720 | ||
>>示意圖:




