
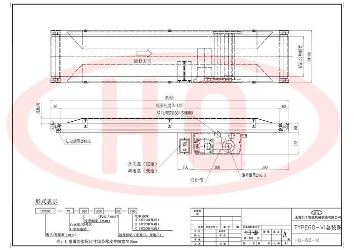
產品型號: Type60-VI
產品名稱:60型槽型直線皮帶輸送機
使用60mm鋁合金型材支架,皮帶傳送、中間驅動,直線輸送,驅動部位于皮帶上方,皮帶兩側有導板,皮帶角度成V字型,防止輸送的小物品滑落,適用傳送零散、不規則物品。
>>說明
1.定速:1.9~45m/min
2.變速:0.15~50m/min
3.幅寬: 200mm~600mm
4.搬送能力: max約50kg(水平分散荷重時)
>>仕様
選型標記方法
標準式樣(單位:mm)

| 機高 | 195 | 電源 | AC100V(單相),AC200V(單相),AC200V(三相) | |||||||
| 皮帶速度 | 定速,變速 | 皮帶材質 | PVC皮帶(標準),PU帶 | |||||||
| 電機功率 | 90W | 附屬件 | 腳,護欄,其它… | |||||||
搬送能力(定速)

皮帶速度表
| 減 速 比 | 速度記號 | 定速(m/min) 50/60Hz | 速度記號 | 変速(m/min) 50?60Hz | |||||
| 1/180 | T1 | 1.9/2.3 | H1 | 0.13~2.5 | |||||
| 1/150 | T2 | 2.3/2.7 | H2 | 0.15~3.0 | |||||
| 1/120 | T3 | 2.8/3.4 | H3 | 0.19~3.8 | |||||
| 1/100 | T4 | 3.4/4.1 | H4 | 0.23~4.5 | |||||
| 1/90 | T5 | 3.8/4.5 | H5 | 0.26~5.1 | |||||
| 1/75 | T6 | 4.6/5.5 | H6 | 0.31~6.1 | |||||
| 1/60 | T7 | 5.7/6.8 | H7 | 0.38~7.6 | |||||
| 1/50 | T8 | 6.8/8.2 | H8 | 0.46~9.1 | |||||
| 1/36 | T9 | 9.5/11.4 | H9 | 0.63~12.6 | |||||
| 1/30 | T10 | 11.4/13.7 | H10 | 0.76~15.2 | |||||
| 1/25 | T11 | 13.7/16.4 | H11 | 0.91~18.2 | |||||
| 1/18 | T12 | 19.0/22.8 | H12 | 1.27~25.3 | |||||
| 1/15 | T13 | 22.8/27.3 | H13 | 1.52~30.4 | |||||
| 1/12.5 | T14 | 27.3/32.8 | H14 | 1.82~36.4 | |||||
| 1/9 | T15 | 37.9/45.5 | H15 | 2.53~50.6 | |||||
>>示意圖

